Product Summary
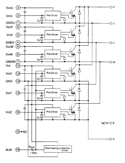
The 6MBP100RA060-05 is an IGBT.
Parametrics
6MBP100RA060-05 absolute maximum ratings: (1)VDC: 0 to 450V; (2)VDC(surge): 0 to 500V; (3)VSC: 200 to 400V; (4)VCES: 0 to 600V; (5)Tj: 150℃; (6)VCC: 0 to 20V; (7)Vin: 0 to Vz V; (8)lin: 1mA; (9)VALM: 0 to VCC V; (10)IALM: 15mA; (11)Tstg: -40 to 125℃; (12)Top: -20 to 100℃; (13)Viso: AC2.5KV.
Features
6MBP100RA060-05 features: (1)Low power loss and soft switching; (2)Compatible with existing IPM-N series package; (3)High performance and high reliability IGBT with overheating protection; (4)Higher reliability because of a big decrease in number of parts in built-in control circuit.
Diagrams

![]() |
![]() 6MBP 150RA-060 |
![]() Other |
![]() |
![]() Data Sheet |
![]() Negotiable |
|
||||
![]() |
![]() 6MBP 15RH-060 |
![]() Other |
![]() |
![]() Data Sheet |
![]() Negotiable |
|
||||
![]() |
![]() 6MBP 75RA-120 |
![]() Other |
![]() |
![]() Data Sheet |
![]() Negotiable |
|
||||
![]() |
![]() 6MBP100RTA-060 |
![]() Other |
![]() |
![]() Data Sheet |
![]() Negotiable |
|
||||
![]() |
![]() 6MBP100RTB060 |
![]() Other |
![]() |
![]() Data Sheet |
![]() Negotiable |
|
||||
![]() |
![]() 6MBP150RA120 |
![]() Other |
![]() |
![]() Data Sheet |
![]() Negotiable |
|
||||
(China (Mainland))








