Product Summary
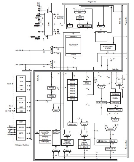
The TMS320C203PZ digital signal processor (DSP) combines strong performance and great flexibility to meet the needs of signal processing and control applications. The TMS320C203PZ core CPU that is the basis of all C2xx devices has been optimized for high speed, small size, and low-power, making TMS320C203PZ ideal for demanding applications in many markets. The CPU has an advanced, modified Harvard architecture with six internal buses that permits tremendous parallelism and data throughput. The powerful C2xx instruction set makes software development easy. And because the C2xx is code-compatible with the TMS320C203PZ and C5x generations, your code investment is preserved. Around this core, C2xx-generation devices feature various combinations of on-chip memory and peripherals. The serial ports provide easy communication with external devices such as codecs, A/D converters, and other processors. Other peripherals that facilitate the control of external devices include general-purpose I/O pins, a 20-bit timer, and a wait-state generator.
Parametrics
TMS320C203PZ absolute maximum ratings: (1)Supply voltage range, VDD: - 0.3 V to 7 V; (2)Input voltage range: - 0.3 V to 7 V; (3)Output voltage range: - 0.3 V to 7 V; (4)Operating free-air temperature range, TA (TMS320C203PZ): 0℃ to 70℃; (5)Storage temperature range, Tstg: - 55℃ to 150℃.
Features
TMS320C203PZ features: (1)Based Upon the T320C2xLP Core CPU; (2)16-Bit Fixed-Point DSP Architecture; (3)Source Code Compatible With TMS320C25; (4)Upwardly Code-Compatible With TMS320C5x Devices; (5)Four External Interrupts; (6)Supports Hardware Wait States; (7)1.1 mA/MIPS at 3.3 V; (8)C203 is Pin-Compatible With TMS320F206 Flash DSP; (9)Up to 40-MIPS Performance at 5 V (C203); (10)20-MIPS Performance at 3.3 V; (11)HOLD Mode for Multiprocessor Applications.
Diagrams

| Image | Part No | Mfg | Description | ![]() |
Pricing (USD) |
Quantity | ||||
|---|---|---|---|---|---|---|---|---|---|---|
![]() |
![]() TMS320C203PZ |
![]() Texas Instruments |
![]() Digital Signal Processors & Controllers (DSP, DSC) Digital Signal Proc |
![]() Data Sheet |
![]() Negotiable |
|
||||
![]() |
![]() TMS320C203PZ57 |
![]() Texas Instruments |
![]() Digital Signal Processors & Controllers (DSP, DSC) Digital Signal Proc |
![]() Data Sheet |
![]() Negotiable |
|
||||
![]() |
![]() TMS320C203PZA |
![]() Texas Instruments |
![]() Digital Signal Processors & Controllers (DSP, DSC) CMOS 320C203 TQFP |
![]() Data Sheet |
![]() Negotiable |
|
||||
![]() |
![]() TMS320C203PZ80 |
![]() Texas Instruments |
![]() Digital Signal Processors & Controllers (DSP, DSC) Digital Signal Proc |
![]() Data Sheet |
![]() Negotiable |
|
||||
![]() |
![]() TMS320C203PZA57 |
![]() Texas Instruments |
![]() Digital Signal Processors & Controllers (DSP, DSC) CMOS 320C203 TQFP |
![]() Data Sheet |
![]() Negotiable |
|
||||
(China (Mainland))









