Product Summary
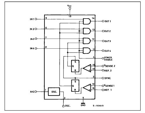
The L6506A is a current controller for stepping motors. It is designed to sense and control the current in stepping motors and similar devices. When used in conjunction with the L293, L298, L7150, L6114/L6115, the L6506A sets form a constant current drive for an inductive load and performs all the interface function from the control logic thru the power stage.
Parametrics
L6506A absolute maximum ratings: (1)Supply Voltage:10V; (2)Input Signals:7V; (3)Total Power Dissipation:1W; (4)Junction Temperature:150℃; (5)Storage Temperature:-40℃ to 150℃.
Features
L6506A features: (1)Supply Voltage:4.5V to 7V; (2)Quiescent Supply Current:25mA; (3)Input Voltage Range:-0.3V to 3V; (4)Input Offset Voltage:±5.0mV; (5)Input Offset Current:±200nA; (6)Input Bias Current:1uA; (7)Response time:0.8us to 1.5us.
Diagrams

![]() |
![]() L6506D013TR |
![]() STMicroelectronics |
![]() Motor / Motion / Ignition Controllers & Drivers Stepper Motor |
![]() Data Sheet |
![]()
|
|
||||||||||||
![]() |
![]() L6506D |
![]() STMicroelectronics |
![]() Motor / Motion / Ignition Controllers & Drivers Stepper Motor |
![]() Data Sheet |
![]()
|
|
||||||||||||
![]() |
![]() L6506 |
![]() STMicroelectronics |
![]() Motor / Motion / Ignition Controllers & Drivers Stepper Motor |
![]() Data Sheet |
![]()
|
|
||||||||||||
(China (Mainland))








