Product Summary
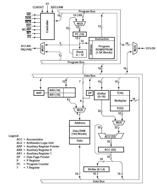
The TMS320E15JDL digital signal processor (DSP), introduced in 1983, was the first DSP in the TMS320 family. From it has evolved this TMS320C1x generation of 16-bit DSPs. All C1x DSPs are object code compatible with the TMS320E15JDL DSP. The C1x DSPs combine the flexibility of a high-speed controller with the numerical capability of an array processor, thereby offering an inexpensive alternative to multichip bit-slice processors. The highly paralleled architecture and efficient instruction set provide speed and flexibility to produce a CMOS microprocessor generation capable of executing up to 8.77 MIPS (million instructions per second) (C16). The TMS320E15JDL utilizes a modified Harvard architecture to optimize speed and flexibility, implementing functions in hardware that other processors implement through microcode or software.
Parametrics
TMS320E15JDL absolute maximum ratings: (1)Supply voltage range VCC: -0.3 V to 7 V; (2)Input voltage range: -0.3 V to 7 V; (3)Output voltage range: -0.3 V to 7 V; (4)Continuous power dissipation: 0.5 mW; (5)Operating free-air temperature: L suffix: 0℃ to 70℃; A suffix: - 40℃ to 85℃; (6)Storage temperature: -55 ℃ to 150 ℃.
Features
TMS320E15JDL features: (1)Performance Up to 8.77 MIPs; (2)All TMS320C1x Devices are Object Code Compatible; (3)144/256-Word On-Chip Data RAM; (4)1.5K/4K/8K-Word On-Chip Program ROM; (5)32-Bit ALU/Accumulator; (6)16 16-Bit Multiplier With a 32-Bit Product; (7)0 to 16-Bit Barrel Shifter; (8)Eight Input/Output Channels; (9)Dual-Channel Serial Port; (10)Simple Memory and I/O Interface; (11)5-V and 3.3-V Versions Available; (12)Commercial and Military Versions Available.
Diagrams

![]() |
![]() TMS3112 |
![]() Other |
![]() |
![]() Data Sheet |
![]() Negotiable |
|
||||
![]() |
![]() TMS3121 |
![]() Other |
![]() |
![]() Data Sheet |
![]() Negotiable |
|
||||
![]() |
![]() TMS320 |
![]() Other |
![]() |
![]() Data Sheet |
![]() Negotiable |
|
||||
![]() |
![]() TMS32010 |
![]() Other |
![]() |
![]() Data Sheet |
![]() Negotiable |
|
||||
![]() |
![]() TMS320AV7110 |
![]() Other |
![]() |
![]() Data Sheet |
![]() Negotiable |
|
||||
![]() |
![]() TMS320BC51PQ100 |
![]() Texas Instruments |
![]() Digital Signal Processors & Controllers (DSP, DSC) TMS320C51PQ - 132QFP - 100MHZ/BOOT CODE |
![]() Data Sheet |
![]() Negotiable |
|
||||
(China (Mainland))









